


Published on Mar 01, 2025
The aim of this project is to deal with the problem of face detection in color images. Unlike in face recognition, where the classes to be discriminated are different faces in face detection, the two respective classes are the "Face area" and the "Non face area". The novel approach to face detection is presented, binarisation rules especially designed for a skin area detection within a image frame.
The process involves Binarisation, localization, training and identification of Human Face.
This project easily extract the human face from any other images. Image segmentation algorithm is used to identify the face from other images.
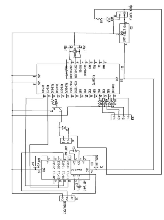
After recognizing the face, the PC puts the attendance for the particular user. Also it sends signal to the microcontroller through serial port. The microcontroller analyses the signal and operates the door motor through driver section. The microcontroller program is written in assembly language. The microcontroller used is PIC 16F73
In this project, the camera is replaced by CD drive. The face is stored in the CD. As soon as the particular CD is inserted, the software in the PC recognizes the face and sends signal to the microcontroller through serial port.
The PC recognizes the face and checks the data with the existing data. If it matches with any data, it puts attendance for the particular user. Also it sends signal to the microcontroller

The microcontroller used in this circuit is PIC16F73. It is a 28 pin IC with three I/O ports. It has inbuilt ADC. According to the signal received from the camera, the values are stored in the RAM of the microcontroller.
Accordingly the microcontroller controls the door motor through driver section and relay. The microcontroller program is written in assembly language. The assembly language program is compiled to form "hex" code. The "hex" code is written in the microcontroller using PIC write software with the help of PIC writer.